
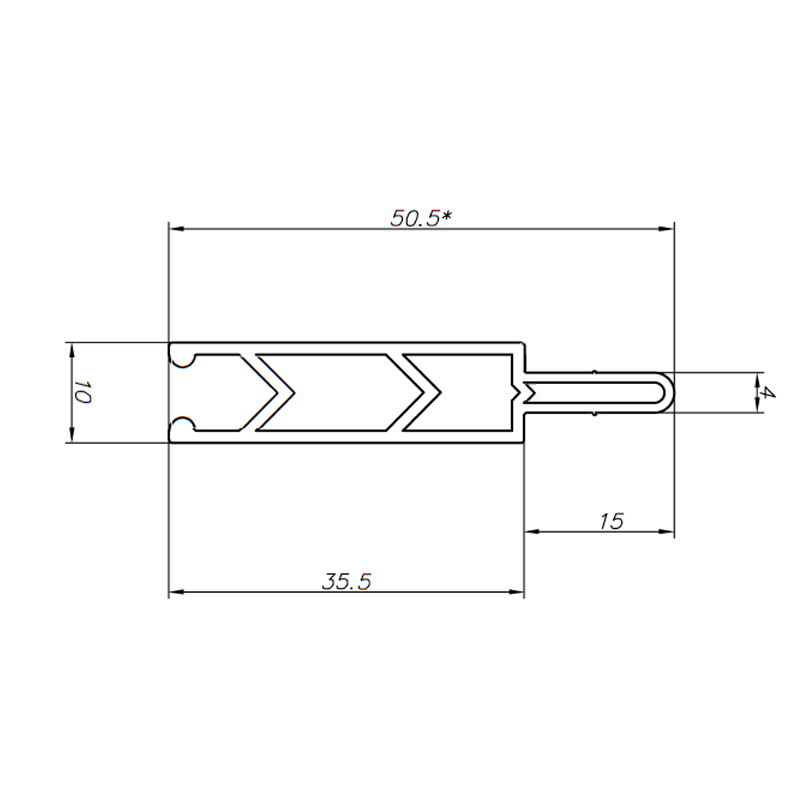
Термовставка 50-09 (3м)
Упаковка: 150 м.п.
Производитель: Профиль-групп
Термовставки ПВХ для фасадных систем СИАЛ «КП50». Возможно использование в АЛЮТЕХ «ALTF-50», KRAUSS «KFS-50», INICIAL «IF 50».
Непластифицированная гранулированная ПВХ композиция. Профиль из ПВХ отвечает всем требованиям ГОСТ и обладает высокими физико-механическими свойствами.